1960 electrical wiring
Morgan electrical we have 9 Pictures about Morgan electrical like Wiring an electrical junction box | Jamie Dolan - Shih Tzu, Cooking, Free Auto Wiring Diagram: 1960 Chevrolet V6 Biscayne, Belair, and and also Free Auto Wiring Diagram: 1960 Chevrolet V6 Biscayne, Belair, and. Read more:
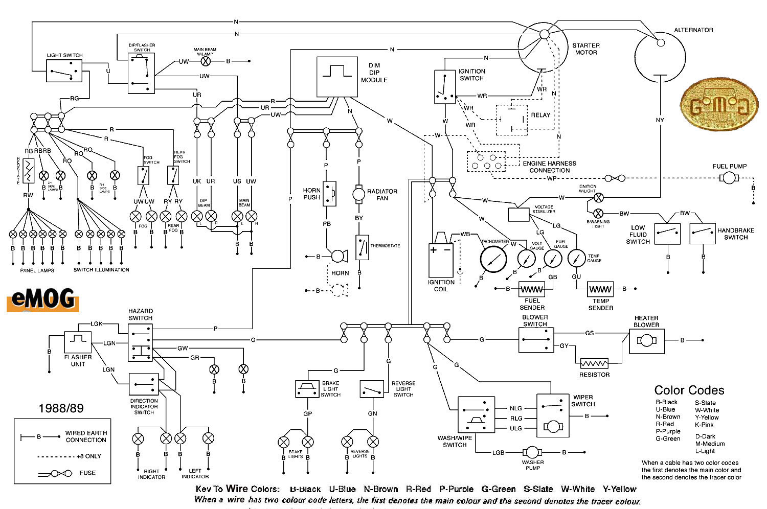
Morgan Electrical

gomog allmorgan wiring88
Chevrolet Passenger Car Wiring Harnesses | YnZ's Yesterday's Parts

wiring chevrolet harness harnesses
1955 Ford Thunderbird Electrical Assembly Manual Reprint

thunderbird 1955 ford wiring assembly electrical manual reprint number diagrams tbird factory decoder serial 1970
Electrical Wiring Colours - The Old And The New (UK) | EC4U

wiring colours trs cable cables electrical wire rubber leeds sheathing dangers cabling rewires tough
Wiring An Electrical Junction Box | Jamie Dolan - Shih Tzu, Cooking

electrical box panel 1960 wiring fuse junction main circuit break wire cuttler hammer cartridges residental instead jamiedolan 2009
Free Auto Wiring Diagram: 1960 Chevrolet V6 Biscayne, Belair, And

1960 wiring chevy biscayne impala chevrolet v6 diagram fuse box belair apache power he brake engine cyl lost
Morgan Electrical

wiring diagram gomog morgan 1950 325e 1984 bmw diagrams 1953 lighting electrical
Classic Dash Saves 1960 Chevy C10 Interior From A Butchered Dash

chevy dash c10 1960 interior saves butchered classic
1968-69 Bus Wiring Diagram | TheGoldenBug.com

wiring vw diagram bus 1968 volkswagen thesamba 1971 generator camper dash archives type electrical schematic info beetle diagrama thegoldenbug wire
1960 wiring chevy biscayne impala chevrolet v6 diagram fuse box belair apache power he brake engine cyl lost. Chevrolet passenger car wiring harnesses. 1955 ford thunderbird electrical assembly manual reprint