2009 chevy tahoe manual
Amazon.com: Blend Door Actuator for Chevy Silverado 1500 Silverado 2500 we have 8 Images about Amazon.com: Blend Door Actuator for Chevy Silverado 1500 Silverado 2500 like 1995-1999 Chevy Tahoe Buckets - Headwaters Seat Covers, Gm Trailer Brake Wiring Diagram | just wiring and also 2008 Chevrolet Equinox Sport | Top Speed. Here it is:
Amazon.com: Blend Door Actuator For Chevy Silverado 1500 Silverado 2500

actuator silverado door blend chevy tahoe 1500 gmc replaces sierra 2003 2500
2012 Chevy Traverse Owners Manual

manual
Gm Trailer Brake Wiring Diagram | Just Wiring

brake
2007 Chevrolet Tahoe 4x4 $24,000 - 100346859 | Custom Sport Utility

tahoe 2007 4x4 custom lifted rims chevrolet utility sport windows classifieds tinted
Top 10 2007 Chevy Silverado Radio Wiring Harness – Car Audio & Video

2003 ssr s10 trailblazer uplander harnesses fewbuttons itacumo
2008 Chevrolet Equinox Sport | Top Speed

equinox 2008 chevrolet sport
1995-1999 Chevy Tahoe Buckets - Headwaters Seat Covers

chevy 1999 seat tahoe 1995 covers bucket blazer 2000 buckets suburban seats armrest gmc headrest
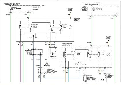
2002 Chevy Tahoe Front Window Control: Electrical Problem 2002

tahoe window chevy 2002 front control diagram chevrolet
Tahoe 2007 4x4 custom lifted rims chevrolet utility sport windows classifieds tinted. 2003 ssr s10 trailblazer uplander harnesses fewbuttons itacumo. Actuator silverado door blend chevy tahoe 1500 gmc replaces sierra 2003 2500