48re transmission wiring harness
Solenoid, Sensor… | Cobra Transmission we have 9 Pictures about Solenoid, Sensor… | Cobra Transmission like NEW 4L80E Transmission HD Internal Valve Body Wiring Harness (1991-2003), Solenoid, Sensor… | Cobra Transmission and also NEW 4L80E Transmission HD Internal Valve Body Wiring Harness (1991-2003). Read more:
Solenoid, Sensor… | Cobra Transmission
47re 47rh 48re solenoid transmission harness a618 kit parts repair chrysler cobra cobratransmission
32 Dodge 46re Transmission Diagram - Wiring Diagram Info

46re
ATS Diesel 47RE/48RE Selectshift Stand Alone Transmission Controller

diesel 47re controller alone stand ats cummins 48re selectshift transmission dodge additional
NEW 4L80E Transmission HD Internal Valve Body Wiring Harness (1991-2003)
harness wiring internal transmission 1991 2003 valve body
[LD_7560] 42Re Transmission Wiring Harness Download Diagram
![[LD_7560] 42Re Transmission Wiring Harness Download Diagram](https://static-assets.imageservice.cloud/5032656/42re-transmission-wiring-harness-wiring-library.jpg)
42re tankbig hubs transmisión automática
A500-518-44-46-47-48RE-SK-SB4 – Sunbelt Valve Bodies

sb4 a500 sk 48re qty valve
ATS SelectShift Stand Alone Valve Body Assembly 47RE / 48RE For The

ats 48re 47re diesel selectshift 9l pinit
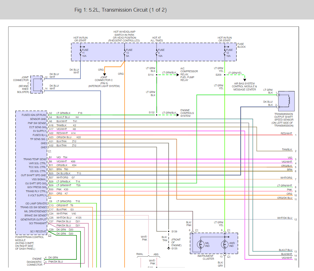
47re Wiring Diagram
diagram wiring transmission 46re dodge 48re chrysler 47re problems
1991-09 GM 4L80E 4L85E TRANSMISSION External Wiring Harness – AMP

gm
A500-518-44-46-47-48re-sk-sb4 – sunbelt valve bodies. Solenoid, sensor…. Harness wiring internal transmission 1991 2003 valve body