aux light wiring
Bmw F10 Trunk Light Wiring Diagram we have 8 Images about Bmw F10 Trunk Light Wiring Diagram like My Car Is Not Charging I Put a Brand New Alternator on It and a, Bmw F10 Trunk Light Wiring Diagram and also Auxiliary Light Power Switch Kit - Harley Davidson Forums. Here you go:
Bmw F10 Trunk Light Wiring Diagram

e90 e60 f10 e46fanatics
Lucas 128SA 35327 Key Switch

lucas switch key diagram position
Dodge Ram 1500 Wiring Diagram | Dodge Ram 1500, Dodge Ram, Dodge Ram 2500

dodge
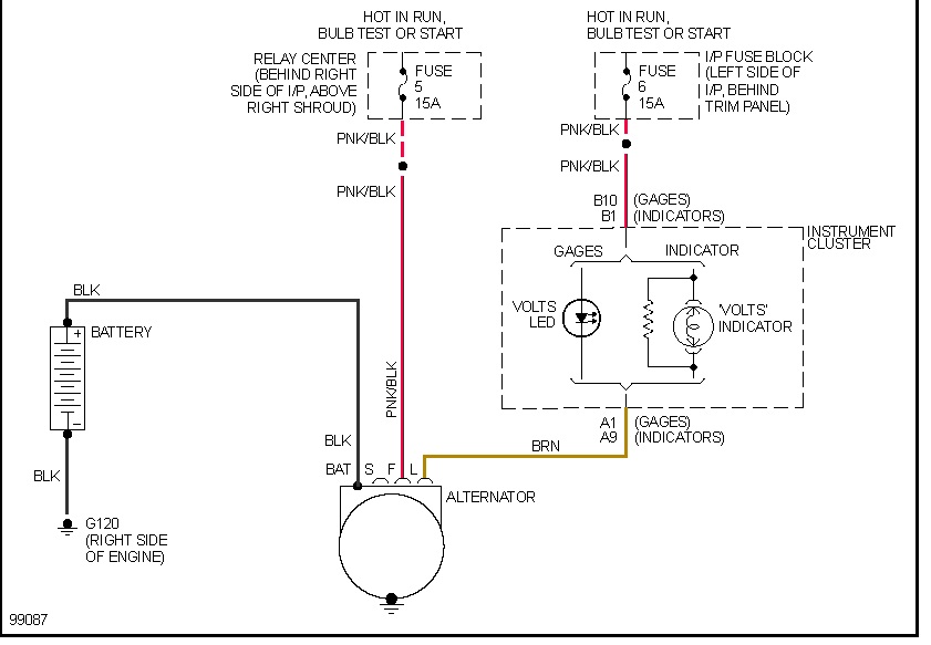
My Car Is Not Charging I Put A Brand New Alternator On It And A

charging buick alternator put brand 1992 battery
Auxiliary Light Power Switch Kit - Harley Davidson Forums

auxiliary hdforums
Wiring Diagram For A 2007 Chevy Silverado | Trailer Light Wiring, Chevy

wiring diagram chevy light tail trailer 1994 truck semi silverado brake suburban harness 1500 code lights 2007 radio lifted 1969
How To Convert 2017 Ford Super Duty Upfitter Switches To Be Powered At

switches upfitter ford duty super f250 convert powered overhead times upgrades xlt truck thanks
Wiring Help: Fog Lights - Jeep Wrangler Forum

wiring diagram jeep fog light lights wrangler switch sahara stereo motorcycle 2003 turn schematron parking factory front into sienna brad
Auxiliary light power switch kit. Lucas switch key diagram position. Charging buick alternator put brand 1992 battery